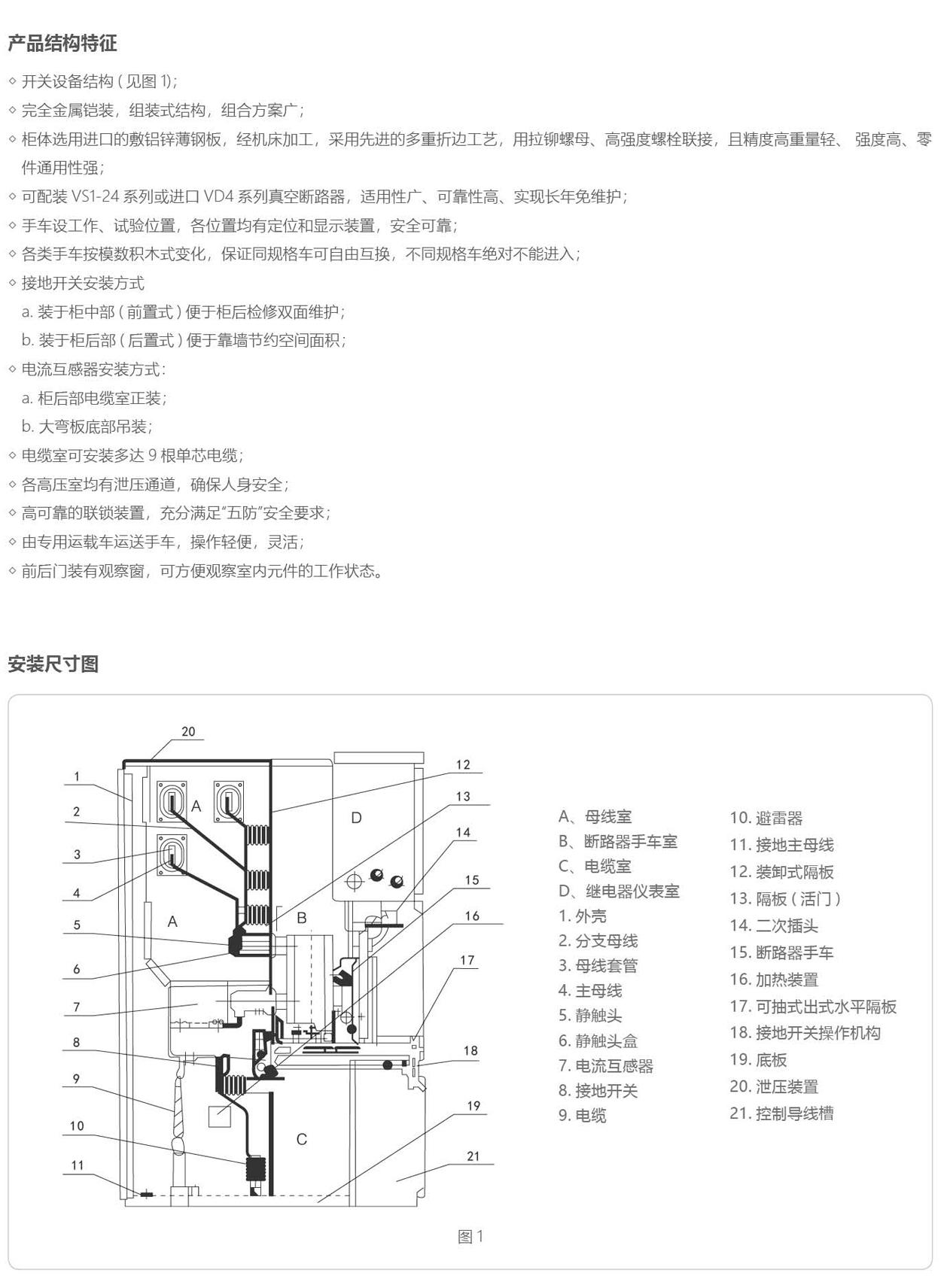
KYN28A-24(Z)(GZS1) 铠装移开式交流金属封闭开关设备

产品详情

产品概述:

KYN28A-24(Z)(GZS1) 铠装移开式交流金属封闭开关设备 ( 以下简称“开关设备”),适用于三相交流 50Hz 电力系统,用于接受和分配电能并对电路实行控制,保护及监测。

本产品符合标准:GB3906《3.6-40.5kV 交流金属封闭开关设备和控制设备》,GB/T11022《高压开关设备和控制设备标准的共用技术要求》,IEC62271:200《额定电压 1kV 以上 52 以下交流金属封闭开关设备和控制设备》,DL/T404《户内交流高压开关柜订货技术条件》。