产品概述
SPC配变自动化控制装置(三相负荷不平衡装置)是针对不平衡矫正和无功补偿的柱上式补偿装置,即负荷平衡装置,其原理是通过电流互感器CT检测负载或者系统电流,数字信号处理器分析计算得到其中的各序电流分量,然后控制三电平逆变器输出与需要补偿的序电流分量相反的电流,达到矫正三相电流平衡的功能。通过平衡三相负荷、改善配电网电能质量、提高变压器的利用率、降低线损。
适用领域
三相负荷不平衡自动调节装置(SPC)主要用于低压配电用户侧,治理三相电流不平衡,相电压偏低和补偿无功,优化电能质量。不同于传统的电容器、电抗器的无源方案,使用有源方案综合性解决电网三相负载不平衡、无功、谐波等电能质量问题,尤其适用于农网柱上变压器电能质量处理领域。
主要特点
◆有源、快速、高精度解决三相负荷不平衡问题。
◆支持手机App及GPRS监控,日常维护无需杆上作业。
◆额定容量内补偿后系统三相有功电流不平衡度小于5%。
◆户外柱上安装设计,满足严酷环境运行要求。
◆外部CT电网及负载侧均可,安装适应性强。
◆装置低功耗设计,具备定时启停/负载率启停等多种节能工作模式。
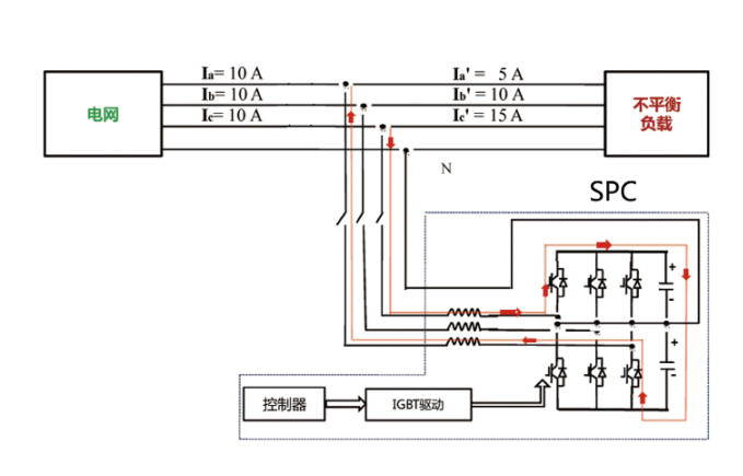
三相不平衡补偿原理
SPC开启后,通过外接电流互感器(CT)实时检测系统电流,并将系统电流信息发送给内部控制器进行处理 分析,以判断系统是否处于不平衡状态,同时计算出达到平衡状态时各相所需转换的电流值,然后将信号发 送给内部IGBT并驱动其动作,将不平衡电流从电流大的相转移到电流小的相,达到三相平衡状态。

电压支撑原理
SPC对补偿点电压进行采样,将电压信息传递给内部DSP,以判断补偿点电压是否超过设定值,当电压超过 调压上限(Umax)时,SPC输出感性电流,降低电压;当电压低于调压下限(Umin)时,SPC输出容性电 流,提升电压。使各相电压稳定在正常范围内。
无功补偿原理
SPC开启后通过外部电流互感器(CT),实时检测负载电流,并通过内部DSP计算来分析负 载电流的无功含量,然后根据设置值来控制PWM信号发生器发出控制信号给内部IGBT使逆变器产生满足要求的无功补偿电流,实现动态无功补偿的目的。
产品应用

SPC工作现场安装方式
